DOD8185 2*3W LED防爆双头应急灯

适用于铁路、电力、冶金、石油、石化、化工、钢铁、航空、船舶及各类厂区、场站、大型设施、场馆等场所的高效照明。

适用于爆炸性气体环境的1区、2区场所;

适用于ⅡA、ⅡB、ⅡC、类爆炸性气体环境;

适用于可燃性粉尘环境21区、22区场所;

适用于T1-T6(T5)组温度组别;

适用于节能改造项目及检修更换困难的场所;

适用于防护要求较高,潮湿、环境恶劣的场所;

适用于防腐要求较高,腐蚀、环境恶劣的场所;


全国服务热线:400-0521-108
在线咨询
二维码
产品特点Product Features

电子元件图片.jpg

No.1

电器配置:光源采用一线品牌CREE LED发光芯片,超高光效,平均使用寿命长达 10 万小时,电源采用最新宽电压技术处理,具有恒流输出,短路、过压保护等功能。

No.2

散热性能:光源散热器采用一体式压铸成型,结构紧固,具有优良的导热和散热性能,电源腔和光源散热器分体设计,有效控制电源温升在合理范围之内,从而保证了防爆灯具的使用寿命。


散热设计.jpg

灯罩介绍-恢复的.jpg

No.3

光学灯罩:采用高强度光学级材料,耐腐蚀抗冲击,透光率可达95%~98%,光线照射均匀柔和,防眩光设计。

No.4

超高防腐:灯体散热器表面采用高压静电喷塑处理,螺丝紧固件采用不锈钢材质,配合高精度加工工艺,具有高防腐、高防锈、高防水等特点,尤其适合在各类强酸、强碱、防护要求较高的恶劣环境中工作。

防护防腐.jpg

防爆结构.jpg

No.5

防爆结构:本司承诺所有防爆产品均严格按照国家防爆标准GB3836系列文件设计,完全达到甚至高于国家防爆标准等级和设计要求,并取得相关国家防爆证书及检测报告,安全可靠,品质优良。


No.6

安装方式:可根据需求采用吸顶、吸壁、弯杆等多种安装方式,满足低顶、平台、高顶、高棚等多种场所作为固定照明使用,产品采用抗震材料和减震结构,尤其适合应用在各种高频率、强震动场所。


安装环境.jpg

规格参数Product parameters
额定功率2*3W额定电压AC220V
防爆等级Exd IIB T6额定频率50/60Hz
防护等级IP66使用光源LED
防腐等级WF2灯珠规格CREE3030
光      效120Lm/W灯珠数量2 PCS
功率因数>0.95 PF发光角度38°
相关色温3000-6500 K显色指数≥70 RA
光源寿命100000H启动时间≤0.2S
执行标准GB3836.1重      量2.5KG
GB3836.2尺      寸230x260x85mm
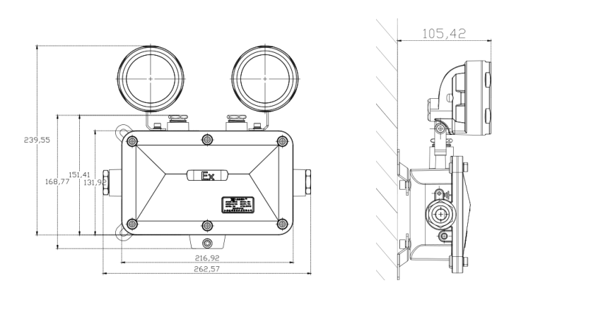
产品尺寸Dimensions

1598082643506404.png

安装方式Install

1598082676181264.png

资质认证Qualification

江苏东道防爆科技

< 上一篇
没有了!

下一篇 >
DOD8400 3W LED防爆安全出口指示灯

在线咨询

400-0521-108

服务热线

微信客服
返回顶部
服务团队

24H 服务电话

15240512642

服务热线 400-0521-108
专注工业防爆
专业生产制造

在线咨询

拨打电话