微波感应系统
一、应用领域/Application area

适用于铁路、电力、冶金、石油、石化、化工、钢铁、航空、船舶及各类厂区、场站、大型设施、场馆等场所的高效照明。爆炸性气体环境的1 区、2 区;ⅡA、ⅡB、ⅡC、类爆炸性气体环境;可燃性粉尘环境21 区、22 区;T1-T6(T5)组温度组别;节能改造项目及检修更换困难的场所;防腐防护要求较高,潮湿、环境恶劣的场所;
二、什么是微波/What is a microwave
微波是指频率在300MHz-300GHz 之间的电磁波,是无线电波中一个有限频带的简称。微波的基本性质通常呈现为穿透、反射、吸收三个特性。对于玻璃、塑料和瓷器,微波具有一定的穿透能力。对于水和食物等就会吸收微波而使自身发热。而对金属类东西,则会反射微波。
三、微波探测原理/Principle of microwave detection
微波感应器主要是运用微波多普勒效应Doppler Effect 原理实现。微波辐射的波长因为波源和观测者的相对运动而产生变化。在面向波源运动时,微波被压缩,波长变得较短,频变得较高; 在与波源相反方向运动时,波长变得较长,频率变得较低; 运动的速度越高,所产生的频差效应越大,多普勒效应造成的发射和接收的频率之差称为多普勒频移; 微波感应器就是利用检测多普勒频率的变化来实现的。

四、基本功能/Basic functions of microwave control system


五、附加功能/Additional features

六、智能控制器/smart controller

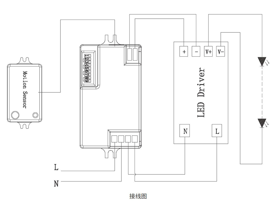
七、控制器接线图/Controller wiring diagram

八、应用案例/Applications
汽机房区域照明
1. 定时控制:所有灯具设置定时任务;
2. 单灯控制:发电机层高顶灯,每盏灯具都做单灯控制,实现单灯开关、调光,并在后台可以实时监测该灯具的使用情况,包括灯具的功率、电流、电压等电气参数;
3. 照度感应控制:设置经纬度定时任务,夜间无人工作时灯具30% 功率工作;同时在合适的位置安装照度感应器,设置定时任务当照度感应器检测周围环境照度低于设定值时,汽机房内三防灯具100% 照明, 高于设定值时,照明灯具关闭;
4. 情景模式控制:后台设置情景模式:巡检模式,定时进入/ 退出巡检模式,进入巡检模式灯具100% 功率工作,退出巡检模式灯具30% 功率工作,可按日、周、月、年等循环。
化水处理区域照明
化水区域分为室内、室外区域:
1. 照度感应控制:室外区域采用光控模式,照度低于设定值时,室外区域100% 照明, 高于设定值时,室外区域照明关闭;
2. 雷达感应控制:室内区域设置雷达感应控制,并将每条回路都安装单灯具控制器,当有人进入该区域时,设置将该区域全部灯具100% 功率工作,人员离开该区域后灯具100% 功率延时30 分钟时间后,自动降低为30%功率。
煤棚区域照明
1. 单灯控制:煤棚区域所有灯具做单灯控制,采用时控+ 光控模式;并在后台可以实时监测该灯具的使用情况,包括灯具的功率、电流、电压等电气参数, 系统能主动发现灯具故障并报警,单灯欠载、欠压、过载、异常开灯等自动告警提示;
2. 照度感应控制:设置经纬度定时控制任务,根据当地的日落时间前推半个小时自动开灯,另加入照度传感器,采集照度高于设定值时,煤棚区域所有灯具关闭运行。
输煤廊道区域照明
1. 情景模式控制:输煤廊道区域所有照明灯具均编制在情景模式下,巡检时间段采用巡检常亮模式灯具100% 功率运行,非巡检时间切换为无人节能模式灯具30% 功率运行;
2. 监控联动控制:现场安装人员检测摄像头,当有人进入该区域时经人员识别后,设置将该区域全部灯具100% 功率工作,开启巡检模式。当人员离开该区域后灯具100% 功率延时30 分钟时间后,自动降低为30% 功率。
锅炉本体区域照明
锅炉区受振动大、温度高等恶劣因素,推出制定方案:
1. 单灯控制:该区域的所有照明回路都设置为单灯控制;
2. 照度感应控制:锅炉本体17 米层以上区域灯具设置为光控模式,照度低于设定值时,锅炉本体17 米层以上灯具30% 功率运行,高于设定值时灯具可自动关闭。
3. 定时控制:17 米以下灯具设置时控模式设置定时任务,以当地日落时间为依据往前推半个小时设置定时任务,在定时开灯两个小时后所有灯具进入半功率30% 工作;
4. 触摸屏控制:锅炉区域在0 米处电梯口安装工业级触控屏,用来控制锅炉本体区域所有的照明灯具,巡检或检修时可随手在触摸屏面板点击对应的按键,从而进入对应的情景模式;
巡检模式:当点击巡检健时进入检修模式,该区域灯具100% 功率工作并延时一段30 分钟时间后,自动降低为30% 功率;
检修模式:该区域灯具100% 功率工作,在不手动关闭检修模式的情况下灯具一直保持100% 功率工作,保障检修工作顺利安全地完成。
工程实例
华电西藏大古水电站智能照明改造项目
华能铜头电站智能照明改造项目
中水电杨家湾电站智能照明改造项目
大唐四川川汇水电仙女堡水电站智能照明改造项目
大唐四川金龙潭水电站智能照明改造项目
张家港沙钢集团厂房照明改造项目
湖南华菱涟源钢铁灯具改造项目
国电海南西南部电厂项目
大同冀中水泥照明改造项目