产品特点Product Features
No.1
硬件按需定制:内装元件品牌为施耐德、正泰、德力西、ABB、天正、西门子、上海人民、中国人民、常熟等一线品牌,可根据用户要求定制,也可增加配置,例如可加装电涌保护器、电流表、电压表、互感器等。
No.2
系统安全稳定:专业电子工程师设计电路,具有过载、短路保护功能,可根据用户要求加装带漏电保护功能产品;
No.3
采用质优板材:壳体采用铝合金压铸或优质碳钢板(不锈钢)焊接成型,外壳结构紧凑合理、材质密度高、防爆性能优良,牢固可靠,抗震、刚冲击。
No.4
防腐性能:壳体表面采用高压静电喷塑处理,螺丝紧固件采用不锈钢材质,配合高精度加工工艺,具有高防腐、高防锈、高防水等特点,也可根据客户需求采用不锈钢材质制作,来满足在各类强酸、强碱、防护要求较高的恶劣环境中长期正常工作。
No.5
防爆结构:本司承诺所有防爆产品均严格按照国家防爆标准系列文件设计,完全达到国家防爆标准等级和设计要求,并取得相关国家防爆证书及检测报告,证书齐全,安全可靠,品质优良。
No.6
安装方式:钢管,防爆挠性管、防爆电缆,布线简单,安装方便。
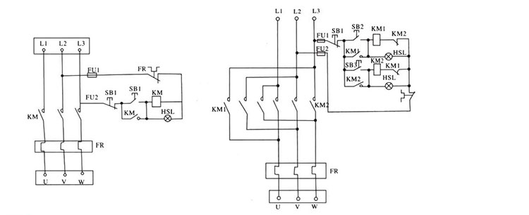
1、外壳采用LZ102铸铝合金压铸成型,表面高压静电喷塑;
2、内装交流接触器,热继电器、自复位转化开关,带总开关时还装有高分断小型断路器;
3、可控制交流50Hz、380V三相异步电动机的直接起动停止,并具有过载和断相及失压保护;
4、可带远控;
5、钢管或电缆布线均可;
6、电流63A。
型号规格含义Model specification meaning

规格参数Product parameters
型号(A) | 额定电流(V) | 额定电压 | 热缆电器整定电流调节范围(A) | 控制电动机功率(KW) | 防爆标志 | 防爆等级 | 防腐等级 |
BQD-12(16) | 12(16) | 220V 380V | 0.25~0.35 0.32~0.50 0.45~0.72 0.68~1.10 1.0~1.6 1.5~2.4 2.2~3.5 3.2~5.0 4.5~7.2 6.8~1.1 10~16,15~24 22~33,30~45 50~63,56~85 85~125 | 4 | Exde IIB T6 Gb ExtD A21 IP65 T80℃ | IP54, IP65* | WF1 WF2* |
BQD-25(32) | 25(32) | 8 |
BQD-40(50) | 40(50) | 18 |
BQD-63 | 63 | 28 |
BQD-95 | 95 | 45 |
BQD-12N(16N) | 12(16) | 4 |
BQD-25N(32N) | 25(32) | 8 |
电气原理图Electrical schematic

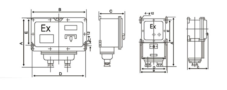
尺寸规格Dimensions

资质认证Qualification
