BXM(D)51 系列防爆照明(动力)配电箱(IIC 、 ExtD户内户外)

 适用于爆炸性环境的1区、2区;

 适用于IIA、II B、II C类爆炸性环境;

 适用于可燃性粉尘环境21区、22区场所;

适用于T1-T6(T4)温度组别;

广泛用于石油开采、炼油、化工、纺织、军工等危险环境及海洋石油平台、油轮等场所





全国服务热线:400-0521-108
在线咨询
二维码
产品特点Product Features

电子元件.jpg

No.1

硬件按需定制:内装元件品牌为施耐德、正泰、德力西、ABB、天正、西门子、上海人民、中国人民、常熟等一线品牌,可根据用户要求定制,也可增加配置,例如可加装电涌保护器、电流表、电压表、互感器等。

No.2

系统安全稳定:专业电子工程师设计电路,具有过载、短路保护功能,可根据用户要求加装带漏电保护功能产品;


系统安全.jpg

板材.jpg

No.3

采用质优板材:壳体采用铝合金压铸或优质碳钢板(不锈钢)焊接成型,外壳结构紧凑合理、材质密度高、防爆性能优良,牢固可靠,抗震、刚冲击。


No.4

防腐性能:壳体表面采用高压静电喷塑处理,螺丝紧固件采用不锈钢材质,配合高精度加工工艺,具有高防腐、高防锈、高防水等特点,也可根据客户需求采用不锈钢材质制作,来满足在各类强酸、强碱、防护要求较高的恶劣环境中长期正常工作。

防腐防护.jpg

防爆.jpg

No.5

防爆结构:本司承诺所有防爆产品均严格按照国家防爆标准系列文件设计,完全达到国家防爆标准等级和设计要求,并取得相关国家防爆证书及检测报告,证书齐全,安全可靠,品质优良。


No.6

安装方式:钢管,防爆挠性管、防爆电缆,布线简单,安装方便。


安装环境.jpg

型号规格含义Model specification meaning

1598258507884939.png

规格参数Product parameters

1598258540163602.png

选型表Selection table

1598258562713324.png


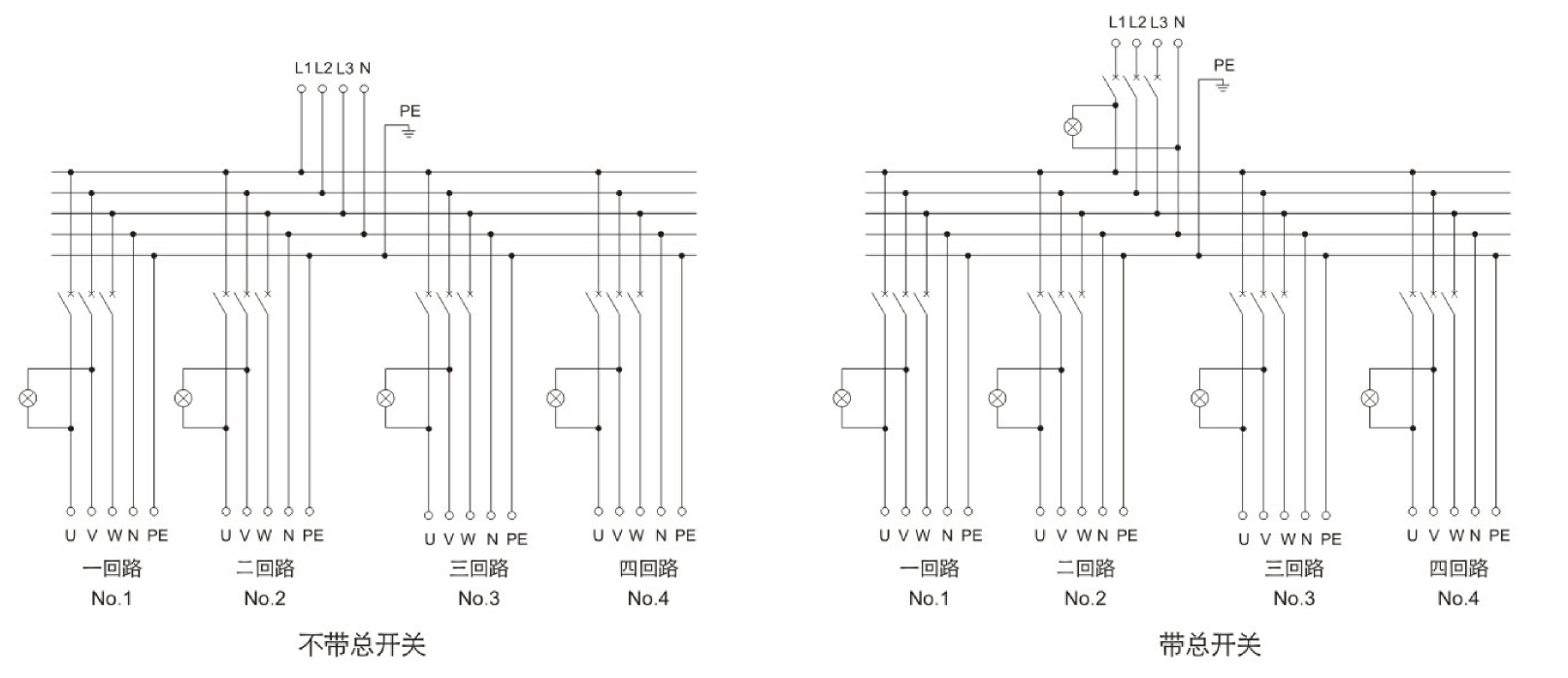
电气原理图Electrical schematic

1598258597209363.png

尺寸规格Dimensions


1598258636551487.png
资质认证Qualification

江苏东道防爆科技

在线咨询

400-0521-108

服务热线

微信客服
返回顶部
服务团队

24H 服务电话

15240512642

服务热线 400-0521-108
专注工业防爆
专业生产制造

在线咨询

拨打电话