防爆9189长玻璃

应用场景

本产品具有良好的防爆功能,适用于各种易燃易爆场所,主要应用于铁路、电力、冶金、石油、石化、化工、钢铁、航空、船舶及各类厂区、场站、大型设施、场馆等场所的高效照明。

全国服务热线:400-0521-108
在线咨询
二维码
产品特点Product Features

No.1

采用国际一线品牌光源芯片,单向发光,无侧照光线,光利用率高,高光效,高显指,具有开路、短路、过热保护功能,保证光源可靠持续工作,宽电压输入,光通量输出恒定,可瞬间启动。

No.2

灯体采用铝合金压铸成型,表面采用高压静电喷塑,外露紧固件为高防腐性能不锈钢材料,整灯防腐性能优良。

No.3

采用高强度透明罩,高透光、抗冲击,独特防眩光设计,配光学反光杯,反射效率高。

No.4

按照国家防爆标准GB3836设计的防爆结构,防爆性能可靠,长寿命,特制恒流电源,功耗低,输出功率恒计,采用耐高温、耐老化的硅胶密封圈,高防护等级。

No.5

独特的散热结构设计,散热性能优良可靠,保证了灯具的长寿命可靠使用。

No.6

电缆布线,快捷方便;

规格参数Product parameters
额定电压AC220V功率80-150W
防护等级IP66发光角度150°
灯珠数量155 PCS灯珠规格CREE3030
防腐等级WF2防爆等级Exd IIB T6
光效120Lm/W频率50/60Hz
功率因数>0.95 PF工作温度-30~50℃
储存温度-30~50℃灯具使用光源led
相关色温3000-6500 K显色指数≥70 RA
光源工作寿命100000H启动时间≤0.2S
执行标准GB3836.1、GB3836.2重量6.4KG
尺寸Φ300*311mm

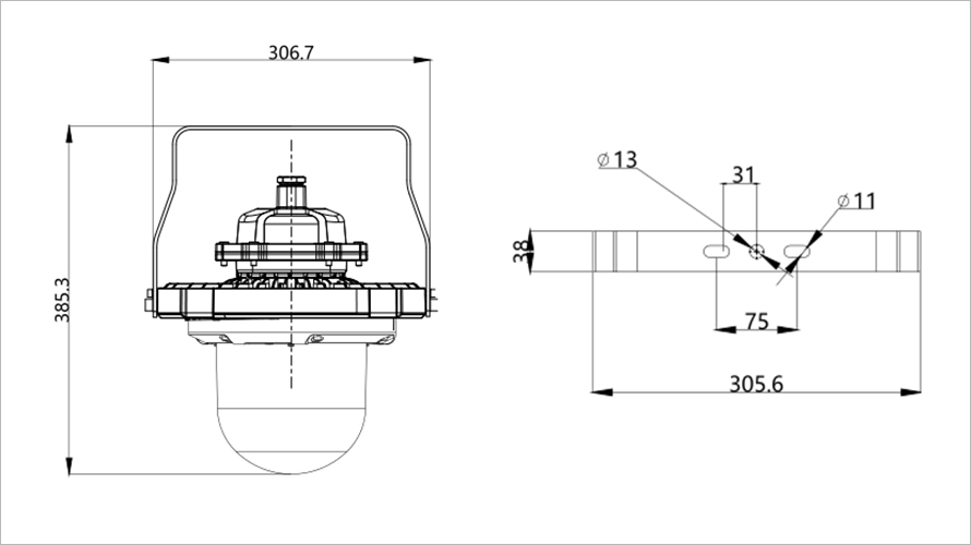
产品尺寸Dimensions

4.jpg

安装方式Install

1593654301206342.png

资质认证Qualification

江苏东道防爆科技

< 上一篇
没有了!

下一篇 >
DOD8060PC 50-80W LED防爆平台灯

在线咨询

400-0521-108

服务热线

微信客服
返回顶部
服务团队

24H 服务电话

15240512642

服务热线 400-0521-108
专注工业防爆
专业生产制造

在线咨询

拨打电话